Трехцветный светодиодный индикатор температуры на операционном усилителе
Измерение производится с помощью двойного операционного усилителя LM358 используемого в качестве компаратора. Можно использовать и другие ОУ, например, MC4558, LM1458. Преимущество данной схемы в отсутствии зависимости от изменений напряжения питания.

Пороги температуры устанавливаются с помощью потенциометров R2 и R3. Можно использовать любые потенциометры со значением сопротивления 22k…220k. Потенциометр R3 устанавливает порог переключения с HL2 на HL3. Потенциометр R2 устанавливает порог переключения с HL1 на HL2. При регулировке R2 должен быть выставлен на более высокую температуру, чем R3 (т.е. ниже выходного напряжения).
Схема может быть легко модифицирована в другие напряжений в диапазоне 5…30В. Для этого просто нужно изменить сопротивления резисторов (R4, R5, R6) для требуемого тока. Значения резисторов на схеме (1k для 12 вольт питания) соответствует току в 10 мА. Светодиоды могут быть любого цвета, так как падение напряжения не оказывают никакого влияния на индикацию.
Замена датчика температуры охлаждающей жидкости
Датчик температуры охлаждающей жидкости может со временем стареть и портиться, поэтому важно знать, как заменить неисправный датчик температуры. Замена CTS часто рекомендуется при восстановлении двигателя и при его повреждении
Двигатель должен остыть, прежде чем заменить датчик. Охлаждающая жидкость в системе охлаждения должна быть слита перед заменой датчика температуры охлаждающей жидкости. Однако не сливайте радиатор. Достаточно слить только немного охлаждающей жидкости. Откройте клапан, чтобы слить антифриз.
После слива охлаждающей жидкости замените старый датчик новым датчиком температуры охлаждающей жидкости
Важно помнить, чтобы заполнить радиатор охлаждающей жидкостью
Более детально можете посмотреть в видео:
↑ 5. Некоторые особенности
При эксплуатации нагреватель-регулятор работает, «как утюг». Если светодиод горит – идет нагрев, если светодиод погас – нужная температура достигнута. Но здесь есть свои особенности. Раз нет принудительного перемешивания воды, температура в баке распределяется неравномерно. Возьмём первый цикл. Идёт нагрев. Когда вода около терморезистора и он сам прогреются до нужной температуры, вода около ТЭНа уже нагреется намного сильнее. Средняя температура будет повышена, нагрев будет неравномерным. Но через несколько циклов нагрев-остывание средняя температура будет близка к заданной. Минимизировать отклонение средней температуры в баке от заданной следует поиском оптимального взаимного положения нагревателя и датчика в баке.
Наилучшим решением для дачного душа я считаю систему из двух баков с горячей и холодной водой и стандартного смесителя. Горячая вода нагревается до 60…70 градусов. Смеситель позволит получить любую температуру, но мне была поставлена другая задача.
Принцип действия датчика температуры охлаждающей жидкости

В датчиках температуры охлаждающей жидкости используются свойства металлов и полупроводников менять свое сопротивление при изменении температуры окружающей среды. Современные автомобили оснащены датчиками температуры, представляющими собой полупроводниковые резисторы с отрицательным температурным коэффициентом сопротивления (ТКС), — их сопротивление уменьшается с увеличением температуры окружающей среды. По сравнению с металлическими терморезисторами полупроводниковые обладают примерно в 10 раз большим значением ТКС, т.е. изменение температуры вызывает резкое изменение их сопротивления.
Датчик включается в электрическую цепь контрольного прибора. При изменении температуры ток проходящий через датчик, изменяется, что вызывает отклонение стрелки указателя контрольного прибора. Сопротивление терморезистора датчика нелинейно зависит от температуры.
рис 1.2—схема включения датчика температуры в цепь контрольного прибора Д-датчик, У-указатель, Uбс-напряжение бортовой сети, Iд- ток протекающий через датчик.
Устройство, работа. Во всех отечественных автомобилях применяются указатели температурыохлаждающей жидкости (термометры) логометрического типа (рис. 1.3.), принцип действия которыхоснован на взаимодействии поля постоянного магнита 6 соединенного со стрелкой2,с результирующим магнитным полем трех измерительных обмоток (1,3,4),по которым протекаетток, причем величина тока в обмотке 1 зависит от сопротивления датчика.

рис 1.4 —Датчики температуры охлаждающей жидкости.I-датчик-ТМ 100А, II-датчик ТМ 106, а- устройство, б-зависимость сопротивления от температуры, 1-полупроводниковый терморизистор, 2-токоведущая пружина, 3- корпус, 4-выводДатчик термометра (рис. 1.4) представляет собой латунный или бронзовый баллон (корпус) 3, нарасширенной верхней части которого выполнены шестигранник под ключ и коническая резьба длякрепления датчика. К плоскому донышку баллона прижат терморезистор 1, выполненный в видетаблетки. Между зажимом датчика и таблеткой установлена токоведущая пружина 2, котораяизолирована от стенки баллона При низкой температуре охлаждающей жидкости сопротивлениедатчика велико, поэтому ток в обмотке 1 (см. рис. 1.3) и ее магнитный поток будут малы.Вследствие действия результирующего магнитного потока всех трех обмоток постоянный магнит ивместе с ним стрелка 2 повернуты в левую часть шкалы указателя. С увеличением температурыохлаждающей жидкости сопротивление терморезистора уменьшается, увеличивается ток вобмотке 1 и создаваемый ею магнитный поток. Результирующий магнитный поток обмоток такжеизменяется, и стрелка 2 поворачивается в правую часть шкалы указателя.
Принцип работы датчика температуры
Он прост. Во время повышения воздействующей на датчик температуры его сопротивление начинает понижаться. Если картина меняется наоборот, то датчики ведут себя аналогичным образом: при понижении температуры повышают свое сопротивление.
Изменения сопротивлений вызывают такие же корректировки показателя выходного напряжения. Заметим, что питание датчика от ЭБУ является постоянным и равно 5 Вольт. В цепь к датчику подключается резистор, обладающий собственным сопротивлением в 2 кОм.
Вслед за температурой и сопротивлением изменяется напряжение элемента, что сразу же регистрируется электронным блоком управления (ЭБУ). По указанному изменению показаний бортовой контроллер осуществляет управление работой дроссельной заслонки или корректирует режим функционирования регулятора холостого хода.
Если рассматриваемые нами датчики пришли в негодность, то это не станет для владельца шоком, ведь стоимость каждого из компонентов незначительная – порядка 250 руб. за единицу.
Как видно, конструкция двух датчиков идентична, о чем можно убедиться по фото ниже.
Внимание! Для разных годов выпуска внедорожника УАЗ Патриот 409 двигатель конструкция обоих датчиков может носить некоторые отличия. Каталожный номер изделия следующий: «40523.3828000»
Он поможет правильно отыскать и приобрести необходимый датчик температуры. Замена случается не так часто, поскольку датчики обладают существенным ресурсом. Если такая потребность все-таки возникла, то владельцу будет интересно, как правильно выполнить ремонтную процедуру.
Варианты подключения
- К системе тёплого пола;
- К ТЭНу;
- К обогревателю.
Подключение термостата к системе тёплого пола
Стандартный терморегулятор тёплого пола идёт в комплекте поставки с подробной инструкцией подключения прибора к системе тёплых полов. Можно подключать ТР самостоятельно, пользуясь обозначениями под клеммниками.
Нагревательный мат тёплого пола
На тыльной стороне регулятора расположены три пары клеммных гнёзд для проводов. Первая пара предназначена для подсоединения двужильного сетевого кабеля. Гнездо «L» – фаза, «N» – ноль.
Вторая пара гнёзд предназначена для соединения с выводами тёплого пола – L1 и N1. Пятую и шестую клемму используют для того, чтобы подключаться к датчику температуры.
Подключение терморегулятора
Регуляторы температуры полов могут быть вставленными в подрозетник или закреплёнными на стене. Термодатчик бывает, как встроенным в корпус прибора, так и установленным на конце выносного кабеля.
В первом случае происходит замер температуры воздуха внутри помещения. Во втором варианте датчик измеряет степень нагрева финишного покрытия пола.
Подключение термостата к ТЭНу
Подключение термостата к электрическому нагревателю приходится осуществлять через магнитный пускатель. Это связано с тем, что мощность регулятора далеко несопоставима с мощностью ТЭНов.
Магнитный пускатель (МП) нужен при управлении термостатом сразу несколькими приборами обогрева. МП врезают в фазовый провод параллельно с терморегулятором. Регулировка режимами работы тенов осуществляется термостатом, ток питания проходит через МП. Это даёт возможность использовать трёхфазную электросеть, что позволяет эксплуатировать нагревательные элементы большой мощности.
Многие ТР оснащены электронными микропроцессорами, которые выдают дополнительно показатели уровня влажности, давления и времени, необходимого для достижения величин заданных параметров.
Подсоединение терморегулятора к обогревателю
Термостаты бывают механического и электронного действия. Последнее время вторые модели активно вытесняют своих механических аналогов. Применение современной электроники позволяет более эффективно управлять температурным режимом в заданной среде.
ТР для обогревателей помещений встраивают в корпуса калориферов или выносят на удаление от приборов отопления. Регулятор, прежде всего, подключается к электрической сети, затем через схему управления соединяется непосредственно с термодатчиком.
Дополнительная информация. Инфракрасные обогреватели соединяются с термостатом в большинстве вариантов через магнитный пускатель. Чтобы выполнить правильное подключение прибора, нужно строго следовать пунктам прилагаемой инструкции.
Особенности, как подсоединяют устройства регуляции температурного режима, зависят от вида отопительных приборов. Это может быть одножильное или двужильное подключение ТР тёплых полов. Подключение двухфазного термостата к нагревательным элементам трёхфазного тока осуществляется только через магнитный пускатель. Для водяного отопления терморегулятор врезают прямо в радиатор. В каждом конкретном случае существует своя схема подключения терморегулятора.
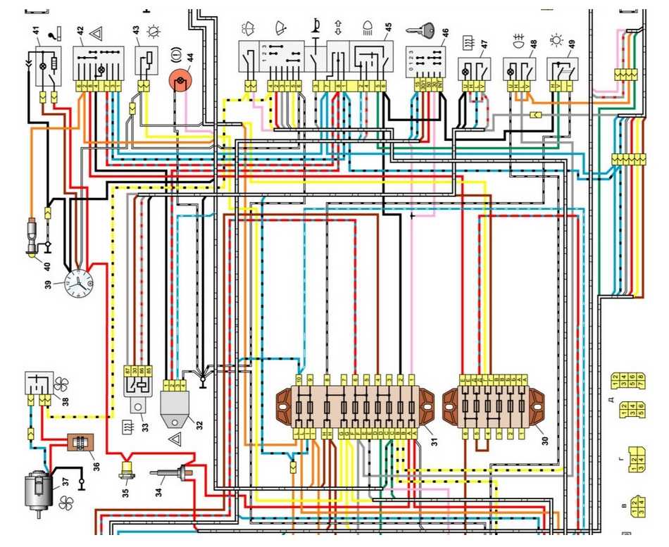
Центральная часть схемы электрооборудования ВАЗ-2106

Центральный кусок схемы в основном состоит из включателей/выключателей освещения и переключателей подачи тока в систему.
Главные элементы проводки указаны следующими цифрами:
- Комплект с основным блоком предохранителей (30);
- Выключатели освещения в фарах заднего хода машины (31), работы контрольных ламп при выставлении ручного тормоза (32);
- Разновидности штепсельных розеток у переносных ламп (33);
- Оборудование для работы указателя поворотника и аварийного сигнала (34);
- Конструкция электродвигателя печки (35) и клеммы для выключения работы стоп-сигнала (36);
- Реле подачи тока для прогрева заднего стекла (37);
- Комплект резисторов электродвигателя печки ВАЗ 2106 (38);
- Проводка к лампе света в вещевом ящике (39);
- Список выключателей наружного света (40), прогрева задней поверхности стекла (41), а также системы зажигания (42);
- Комплект переключателей с ближнего на дальний свет (43), стеклоочистителя (46) и стрелки-указателя поворота машины (44);
- Специальные типы выключателей сигнала машины (45), универсального смывателя для лобового стекла (47) и регуляторы света на приборной доске и сигнала при аварийной ситуации.
Датчик температуры охлаждающей жидкости (ДТОЖ) – устройство, принцип работы
Датчик температуры охлаждающей жидкости (ДТОЖ) – это важный элемент системы управления двигателем, который контролирует температуру ОЖ в системе охлаждения. Блок управления двигателем получает информацию от ДТОЖ и в соответствии с ней корректирует состав топливно-воздушной смеси, частоту вращения коленвала, а также угол опережения зажигания.
Устройство и принцип работы датчика температуры охлаждающей жидкости
«Прародителем» современного датчика температуры охлаждающей жидкости было термореле, которое устанавливалось на некоторые двигатели (например, в системе распределенного впрыска K-Jetronic). Контакт термореле открыт – идет прогрев двигателя, контакт закрыт – мотор работает в своей нормальной температуре.
В настоящее время основа датчика температуры охлаждающей жидкости – это термистор (резистор, который измеряет сопротивление в зависимости от температуры). Контроль за температурой ОЖ осуществляется непрерывно. Материалом для изготовления термистора служит обычно оксид никеля или кобальта. Особенность этих соединений в том, что при увеличении температуры у них увеличивается количество свободных электронов и, соответственно, уменьшается сопротивление.
Чаще всего термистор, который находится внутри ДТОЖ, имеет отрицательный температурный коэффициент. Максимальное сопротивление датчик имеет при холодном двигателе. На датчик температуры охлаждающей жидкости подается напряжение (5В), и по мере изменения сопротивления оно уменьшается. Блок управления двигателем фиксирует изменения напряжения и в соответствии с ним определяет температуру охлаждающей жидкости.

На некоторых двигателях (например, на моторах Renault) установлен датчик температуры охлаждающей жидкости с положительным температурным коэффициентом. Он устроен так же, однако при увеличении температуры сопротивление на нем не уменьшается, а увеличивается.
Где находится датчик температуры охлаждающей жидкости
Термистор находится внутри защитного теплопроводного корпуса, а на самом корпусе размещена резьба для крепления датчика, а также электрический разъем. Обычно ДТОЖ вкручивается в выпускной патрубок головки блока цилиндров. На некоторых моторах стоит сразу два датчика: один фиксирует температуру на выходе из двигателя, второй – из радиатора.

Датчик температуры охлаждающей жидкости располагается таким образом, чтобы его наконечник имел прямой контакт с охлаждающей жидкостью. Соответственно, если антифриза в системе мало, то и показатели ДТОЖ могут быть неточными.
Признаки неисправности ДТОЖ
Как и любой другой датчик, ДТОЖ может выйти из строя, вызвав сбои в работе мотора. Первые признаки, по которым можно распознать поломку датчика температуры охлаждающей жидкости:
- проблемы с запуском двигателя в холодную погоду,
- плохой выхлоп на холодном двигателе,
- повышенный расход топлива и т.д.
Чаще всего при возникновении подобных симптомов замена датчика температуры охлаждающей жидкости не требуется. Скорее всего, проблема в отошедшем или поврежденном контакте, повреждении проводки или утечке охлаждающей жидкости. Поэтому для начала следует провести визуальный осмотр датчика на предмет повреждений или коррозии.
Проверка датчика температуры охлаждающей жидкости
Если осмотр не дал результатов, необходимо измерить сопротивление и напряжение датчика при различных температурах. После запуска холодного двигателя по мере его прогрева сопротивление должно падать (или повышаться – в случае положительного температурного коэффицента датчика) в соответствии с нормальными показателями.

Нормальные показатели сопротивления и напряжения для датчика температуры охлаждающей жидкости с отрицательным температурным коэффициентом
| Температура ОЖ (°С) | Сопротивление (Ом) | Напряжение (В) |
| 4800 — 6600 | 4,00 — 4,50 | |
| 10 | 4000 | 3,75-4,00 |
| 20 | 2200 — 2800 | 3,00 — 3,50 |
| 30 | 1300 | 3,25 |
| 40 | 1000-1200 | 2,50 — 3,00 |
| 50 | 1000 | 2,5 |
| 60 | 800 | 2,00-2,50 |
| 80 | 270 — 380 | 1,00-1,30 |
| 110 | 0,5 | |
| разрыв цепи | 5,0 ±0,1 | |
| замыкание на «землю» |
Нормальные показатели сопротивления и напряжения для ДТОЖ с положительным температурным коэффициентом
| Температура ОЖ (°С) | Сопротивление (Ом) | Напряжение (В) |
| 254-266 | ||
| 20 | 283-297 | 0,6 — 0,8 |
| 80 | 383-397 | 1,0-1,2 |
| разрыв цепи | 5,0 ±0,1 | |
| замыкание на «землю» |
Схема электрооборудования ВАЗ-2106 (новая)
Общая схема электрооборудования ВАЗ 2106 / 21061 / 21063 / 21065 выпуска 1988 – 2001г.



1 — передние фонари; 2 — боковые указатели поворота; 3 — аккумуляторная батарея; 4 — реле лампы сигнализатора заряда аккумуляторной батареи; 5 – реле включения ближнего света фар; 6 — реле включения дальнего света фар; 7 – стартер; 8 – генератор; 9 – наружные фары; 10 – внутренние фары; 11 – датчик включения электродвигателя вентилятора; 12 — электродвигатель вентилятора системы охлаждения двигателя; 13 – звуковой сигнал; 14 – катушка зажигания; 15 – распределитель зажигания; 16 – свечи зажигания; 17 — электромагнитный клапан карбюратора; 18 – датчик указателя температуры охлаждающей жидкости; 19 – подкапотная лампа; 20 – выключатель света заднего хода; 21 – датчик указателя давления масла; 22 – датчик сигнализатора недостаточного давления масла; 23 – датчик сигнализатора недостаточного уровня тормозной жидкости; 24 — моторедуктор очистителя ветрового стекла; 25 – коммутатор*; 26 — электродвигатель омывателя ветрового стекла; 27 – реле включения электродвигателя вентилятора**; 28 – регулятор напряжения; 29 – реле-прерыватель очистителя ветрового стекла; 30 – дополнительный блок предохранителей; 31 – основной блок предохранителей; 32 – реле-прерыватель аварийной сигнализации и указателей поворота; 33 – реле включения обогрева заднего стекла***; 34 – выключатель стоп-сигнала; 35 – штепсельная розетка для переносной лампы****; 36 – добавочный резистор электродвигателя отопителя; 37 – электродвигатель отопителя; 38 – переключатель электродвигателя отопителя; 39 – часы; 40 – лампа освещения вещевого ящика; 41 – прикуриватель; 42 – выключатель аварийной сигнализации; 43 – регулятор освещения приборов; 44 – лампа сигнализатора уровня тормозной жидкости; 45 – трехрычажный переключатель; 46 – выключатель зажигания; 47 – выключатель обогрева заднего стекла***; 48 – выключатель заднего противотуманного фонаря; 49 – выключатель наружного освещения; 50 – выключатели плафонов, расположенные в стойках передних дверей; 51 – моторедукторы электростеклоподъемников передних дверей***; 52 – выключатели плафонов, расположенные в стойках задних дверей; 53 – выключатель контрольной лампы стояночного тормоза; 54 – плафоны освещения салона; 55 – указатель уровня топлива с сигнализатором резерва; 56 – указатель температуры охлаждающей жидкости; 57 – указатель давления масла с сигнализатором недостаточного давления; 58 – тахометр; 59 – лампа сигнализатора стояночного тормоза; 60 – лампа сигнализатора заряда аккумуляторной батареи; 61 – лампа сигнализатора воздушной заслонки карбюратора; 62 – контрольная лампа габаритного света; 63 – лампа сигнализатора указателей поворота; 64 – лампа сигнализатора дальнего света фар; 65 – спидометр VAZ-2106; 66 – выключатель сигнализатора воздушной заслонки карбюратора; 67 – переключатель электростеклоподъемника левой передней двери***; 68 – реле включения электростеклоподъемников передних дверей***; 69 – переключатель электростеклоподъемника правой передней двери***; 70 – задние фонари; 71 – фонари освещения номерного знака; 72 – датчик указателя уровня и резерва топлива; 73 – колодки, подключаемые к элементу обогрева заднего стекла***; 74 – лампа освещения багажника; 75 – задний противотуманный фонарь.
Порядок условной нумерации штекеров в колодках:
а – коммутатора; б – датчика-распределителя зажигания; в – очистителя ветрового стекла и реле прерывателя очистителя ветрового стекла; г – реле прерывателя аварийной сигнализации и указателей поворота; д – трехрычажного переключателя.
* Устанавливается в случае применения на автомобиле бесконтактной системы зажигания. При этом должен устанавливаться датчик-распределитель зажигания типа 38.3706 и катушка зажигания типа 27.3705 или 027.3705. ** С 2000 г. не устанавливается и электродвигатель 12 включается непосредственно датчиком-выключателем 11. При этом вместо применявшегося ранее датчика температуры 11 типа ТМ-108 применяется датчик-выключатель 661.3710. *** Устанавливается на части автомобилей. **** С 2000 г. не устанавливается.
Электросхема ВАЗ-2106 карбюратор — полный вид:

Описание работы светодиодного индикатора на LM35
Простота светодиодного индикатора обусловлена применением только лишь двух интегральных радиокомпонентов, идеально подходящих для данного случая.
светодиодного индикатора температурыдатчика температуры LM35

Питается датчик от 4…30 вольт, точность измерения не хуже 0,3 гр. С, имеет отличную линейную зависимость выходного сигнала от температуры. На выходе у него напряжение равное температуре датчика умноженное на 10мВ, то есть при температуре 22 градуса на выходе LM35 будет: 22 х 10мВ = 0,22 вольта.
Для усиления амплитуды выходного напряжения с датчика LM35 индикатора, использован делитель напряжения на основе подстроечного резистора RЗ. Так как в схеме минусовой вывод датчика LM35 соединен с бегунком подстроечного резистора, то потенциал на выходе равно соотношению сопротивлений верхней и нижней частей подстроечного резистора. Если оставить соотношение как на схеме (9 кОм и 1 кОм) то коэффициент будет равен 10. В таком случае, к примеру, при 22 гр. С напряжение на выходе делителя будет равно 2,2 вольта.

Визуализацию измеренной температуры, светодиодного индикатора, осуществляет микросхема LM3914, которая как нельзя, кстати, подходит для данной роли. Она имеет в своем составе один управляющий вход и десять компараторов к выходам, которых подключаются светодиоды. На ножке 8 микросхемы LM3914 находится стабилизированное напряжение 1,25 В.
Верхний предел, при котором зажигается светодиод HL10, можно выставить при помощи переменного резистора R2, который играет роль делителя напряжения. Чтобы установить, к примеру, для HL10 уровень в 30 гр. С, необходимо на ножках 6, 7 выставить 3,0 вольта.
Нижний же порог, когда зажигается только HL1, устанавливается при помощи сопротивления R1, соединенного с ножкой 4. Необходимые величины нижнего и верхнего температурного уровня индикатора выставляются при помощи точного цифрового термометра.
Где находится датчик температуры
Датчик температуры охлаждающей жидкости двигателя расположен в основном в проходе охлаждающей жидкости двигателя с жидкостным охлаждением; обычно рядом с клапаном термостата. Датчик температуры двигателя подключается либо к датчику температуры, либо к индикатору температуры на приборной панели. В современных автомобилях вы заметите, что нет отдельного датчика температуры двигателя. Вместо этого есть крошечный «свет», символизирующий температуру двигателя; который интегрирован с rpm-метром.
После включения зажигания буква «С» также загорается вместе с символом температуры; показывая, что двигатель холодный. Это должно автоматически исчезнуть; после того, как двигатель прогреется до оптимальной температуры (обычно в пределах 2-3 километра от старта движения).

Схема подключения датчика температуры
Как поменять датчик температуры охлаждающей жидкости своими руками, на что стоит обратить внимание
Если датчик неисправен, то замена сигнального элемента своими руками не представляет больших трудностей. В данной процедуре очень поможет схема подключения датчика температуры охлаждающей жидкости.
- Сливается антифриз из радиатора (можно не весь, а только чуть ниже отверстия термодатчика);
- Желательно снять корпус воздушного фильтра, чтобы он не мешал операции замены. При снятии отщёлкивается каждый разъём, удерживающий крышку корпуса фильтра, ослабляются хомуты и откручиваются винты. При работе желательно не повредить ни один разъём;
- Снимается разъём с датчика;
- Снимается резиновый чехол с датчика, расположенного в корпусе радиатора;
- Датчик температуры охлаждения выкручивается подходящим гаечным ключом ( обычно на 21).
Установка датчика температуры охлаждающей жидкости происходит согласно данному алгоритму:
- Следует установить новый датчик в гнездо, которое располагается в корпусе радиатора, не забывая при этом параметры затяжки резьбы;
- Устанавливаем на место корпус воздушного фильтра;
- Заливаем антифриз в радиатор до контрольной отметки;
- Заводим двигатель и следим за показаниями указателя температуры, расположенного на приборной панели.
Итак, если ДТОЖ сломан или не показывает температуру на приборной панели, следует немедленно разобраться в причине поломки. Зная, как заменить датчик, не стоит забывать, что причина может быть и не в нём. Тогда для проверки самого датчика достаточно подключить его к мультиметру и проверить в ёмкости с нагретой водой.
