Многообразие вариантов подвески
Устройство подвески автомобиля – это самостоятельное конструкционное решение производителя. Существует несколько типологий подвески автомобиля: их различает критерий, положенный в основу градации.
В зависимости от устройства направляющих элементов выделяются наиболее распространенные типы подвески: независимая, зависимая и полунезависимая.
Зависимый вариант не может существовать без одной детали — жесткой балки, входящей в состав моста автомобиля. При этом колеса в поперечной плоскости перемещаются параллельно. Простота и эффективность конструкции обеспечивает ее высокую надежность, не допуская развала колес. Именно поэтому зависимая подвеска активно применяется в грузовых автомобилях и на задней оси легковых.
Схема независимой подвески автомобиля предполагает автономное существование колес друг от друга. Это позволяет повысить амортизационные характеристики подвески и обеспечить большую плавность хода. Данный вариант активно применяется для организации как передней, так и задней подвески на легковых автомобилях.
Полунезависимый вариант состоит из жесткой балки, закрепленной на кузове с помощью торсионов. Данная схема обеспечивает относительную независимость подвески от кузова. Характерный ее представитель – переднеприводные модели ВАЗ.
Вторая типология подвесок основывается на конструкции гасящего устройства. Специалисты выделяют гидравлические (масляные), пневматические (газовые), гидропневматические (газо-масляные) устройства.
Определенным особняком стоит так называемая активная подвеска. Ее схема включает в себя вариативные возможности – изменение параметров подвески при помощи специализированной электронной системы управления в зависимости от условий движения автомобиля.
Наиболее распространенными изменяемыми параметрами являются:
- степень демпфирования гасящего устройства (амортизаторного устройства);
- степень жесткости упругого элемента (например, пружины);
- степень жесткости стабилизатора поперечной устойчивости;
- длина направляющих элементов (рычагов).
Активная подвеска представляет собой электронно-механическую систему, существенного увеличивающую стоимость автомобиля.
Тормозная система
Позволяет замедлять движение машины, вплоть до её полной остановки. Незаменима система во время экстренных ситуаций, а также когда автомобиль надо удерживать от самопроизвольного движения вниз. Автомобильные тормоза включают несколько подсистем: ручную, запасную, вспомогательную, антиблокировочную. Их совокупность называется тормозным управлением.
Задача основной тормозной системы — регулировать скорость движения машины, останавливать транспортное средство в случае необходимости. Состоит она из привода и исполнительных механизмов (барабан, диск). На современных легковых авто чаще используется гидропривод, реже — электрический, пневмо или комбинированный варианты. В некоторых случаях для повышения давления жидкости и эффективности торможения применяются вакуумный усилитель и регулятор.
Ручной или стояночный тормоз, оснащённый механическим приводом, предназначен для:
- удержания машины на спусках;
- аварийного торможения в чрезвычайных случаях.
Коэффициенты эффективности замедления автомобиля, движущегося со скоростью 80 км/ч при усилии на педаль до 50 кг основной системы и подсистем:
- главный тормоз — не меньше 5,8 м/с2;
- аварийный и ручной — 2,75 м/с2.
Принцип функционирования тормозов прост. После нажатия на педаль тормозное усилие передаётся на колёсные механизмы. Последние прижимают к дискам колодки, тем самым останавливая вращение.
Основные понятия
Чтобы понять, по какому принципу работает то или иное устройство, знающий человек может просто посмотреть на его электрическую схему
При этом достаточно важно учитывать несколько основных нюансов, которые помогут даже новичку детально прочитать подобные чертежи
Конечно, ни одно устройство не может нормально работать без тока, поступающего через внутренние проводники. Эти пути обозначаются тонкими линиями, цвет которых выбирается в соответствии с реальным цветом проводов.
В том случае, если в электрическую схему входит достаточно большое количество элементов, трасса на ней отображается в виде разрывов и отрезков, при этом в обязательном порядке должны указываться места их подключения или соединения.
Помимо этого, номера, которые указываются на узлах, также должны полностью соответствовать реальным цифрам, так как читать электрические схемы (обозначения) в противном случае будет бессмысленно. Числа, указанные в кружках, определяют места соединений «минуса» с проводами, в то время как обозначение токоведущих дорожек делает более простым поиск элементов, находящихся на разных схемах. Комбинации букв и цифр полностью соответствуют разъемным соединениям, при этом существует достаточно большое количество специализированных таблиц, при помощи которых можно достаточно просто идентифицировать элементы любой электроцепи. Такие таблицы достаточно просто найти не только в интернете, но и в разных пособиях для специалистов. В общем, разобраться в том, как правильно читать принципиальные электрические схемы, не так сложно. Главное в этом – разобраться с функциональностью различных элементов, а также уметь правильно следить за цифрами.

Порядок чтения
По сути, электросхема — это чертёж. На ней с помощью условных обозначений изображено устройство электрооборудования. Зная основные принципы построения таких чертежей и условные обозначения, можно освоить чтение электрических схем. Для начинающих это именно то, что нужно. Так, легче всего тренироваться на упрощённых чертежах, чем на тех, где показаны все детали.
Для правильного чтения схем усваивают простой алгоритм действий, который поможет не упустить важных мелочей. Вот последовательность изучения электросхемы:
Научившись читать простые схемы, переходят к более сложным. Электрооборудование современных автомобилей становится всё сложнее и сложнее. Очень многие блоки содержат электронную начинку.
Ходовая часть
— амортизатор;
— пружина;
— рычаги;
— сайлент-блоки и втулки.
Передняя подвеска имеет более сложное строение, чем задняя подвеска. Это связано с тем, что передние колеса должны поворачиваться для управления автомобилем. А для этого в подвеске появляются такие составляющие, как рулевые тяги, шрус и т.д.
Ходовая часть состоит из огромного количества самых разнообразных узлов и агрегатов, благодаря которым автомобиль и имеет возможность передвигаться. Основными составляющими ходовой части являются:
- передняя подвеска
- задняя подвеска
- колёса
- ведущие мосты
Нельзя забывать и про уже устаревшую, но всё равно присутствующую во многих автомобилях зависимую подвеску. Задняя зависимая подвеска в основном представляет собой жёсткую балку или ведущий мост, если конечно рассматривать автомобиль с задним приводом.
ПОДРОБНОСТИ: Стойка стабилизатора отвечает за крен кузова Распознайте признаки неисправности а выбрать лучшие помогут отзывы
Электросхемы? — разберется даже школьник!
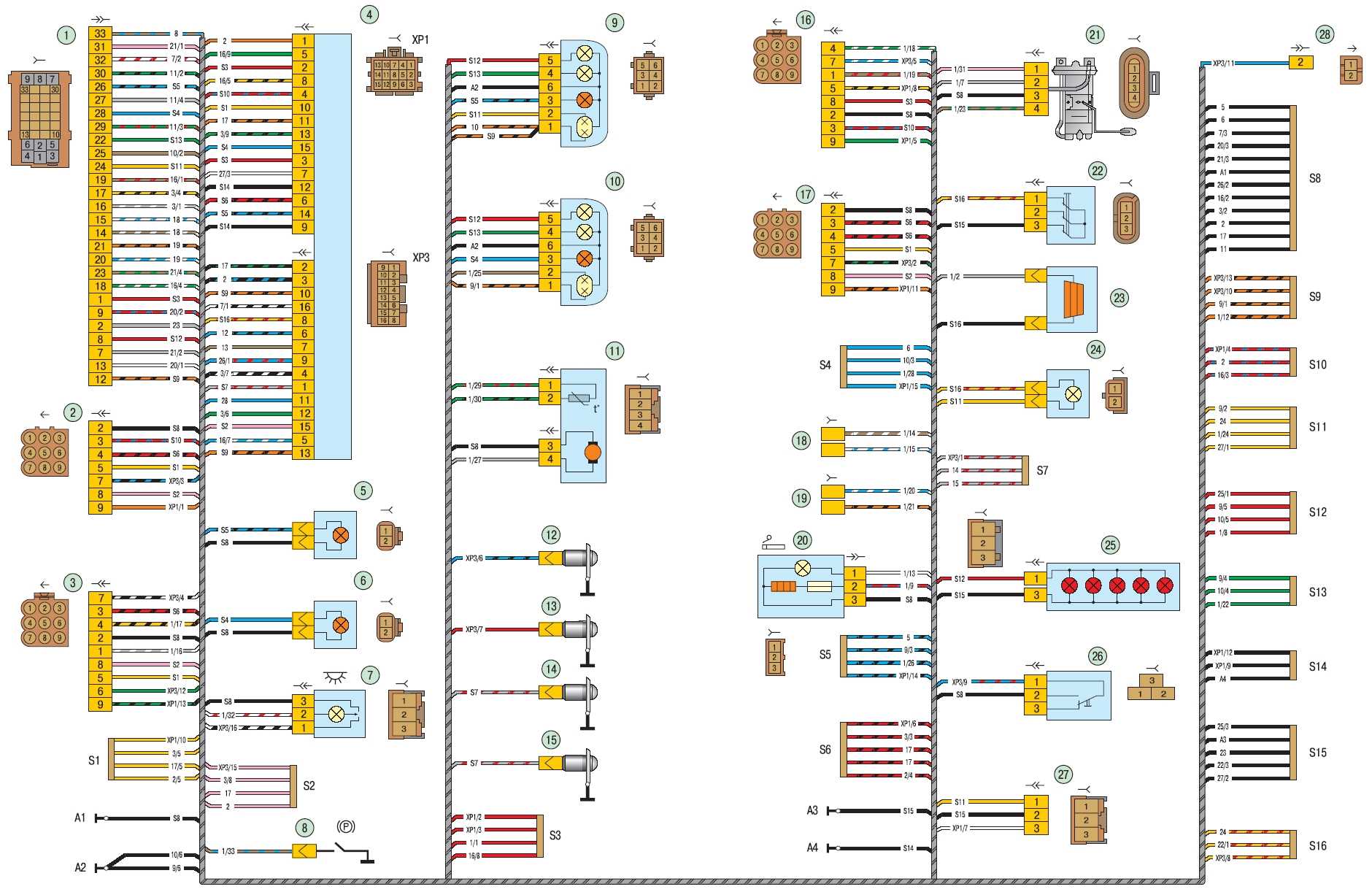
Встретив впервые принципиальную электрическую схему автомобиля, я понял, что принципы ее построения и обозначение на ней элементов — стандартизированы, и те элементы, которые присутствуют во всех автомобилях — обозначаются одинаково, независимо от производителя автомобиля. Достаточно один раз разобраться, как читать такие электросхемы, и вы с легкостью сможете понимать, что на ней изображено, даже если вы впервые видите конкретную схему от конкретного автомобиля и даже ни разу не лазили к нему под капот.
Графические обозначения элементов схемы могут слегка отличаться, к тому же бывают черно-белые варианты исполнения и цветные. Но буквенное обозначение везде одинаково. Помимо принципиальных электрических схем полезно иметь схемы, на которых обозначено физическое расположение (в пространстве) на кузове различных жгутов, разъемов и точек заземления — это поможет вам быстро отыскать их. Итак, давайте взглянем на примеры таких схем, а потом приступим к описанию их элементов.


Трехмерная точная схема расположения электрических компонентов автомобиля

Встречаются и такие схемы, на которых уже точно показано, как и куда проходят кабельные трассы в кузове автомобиля, а также точки заземления.
Независимая подвеска – своими руками приводим ее в порядок
Основные дефекты подвески, которые проявляются после прохождения 40 000-80 000 км, – это стук и скрип, которые отчетливо слышны даже в салоне автомобиля во время езды по ухабистой дороге. С чем это связано? Стук возникает по нескольким причинам, они могут быть как серьезными, так и не очень. В любом случае должна срочно ремонтироваться независимая подвеска, своими руками сделать это можно, если починка заключается в замене деталей или подтяжке резьбовых соединений, в иных случаях не обойтись без посещения СТО.
Первым делом следует установить причину, провести визуальную диагностику подвески. Для этого автомобиль следует загнать на смотровую яму или воспользоваться домкратом, так как в разгруженном состоянии этот узел машины охотнее покажет свои дефекты. Да и вам подлезть под нее будет удобнее. Скажем наперед, если вы не слесарь высокого уровня, то вооружитесь руководством по устройству вашего автомобиля, которое всегда идет в комплекте при покупке.
Итак, вы расположились в удобной зоне для обследования передней подвески. Снимите амортизаторы и внимательно их осмотрите на наличие трещин. Проверьте следом на целостность шаровые опоры, рычаг, штангу, сайлентблоки
Обратите внимание на все крепежные болты и резиновые уплотнители. Нигде не должно быть трещин, разрывов, разрезов и прочих повреждений
Внимательно пройдитесь взглядом по периметру кузова: там, где детали касаются кузова, должна быть целая и невредимая резиновая прокладка.
Если какие-то «недуги» явно видны, оцените свои силы, сможете ли вы выкрутить поврежденную деталь и вставить новую, понятна ли последовательность сборки поврежденного узла, доходчиво ли изображена схема в книге по эксплуатации автомобиля. Если не сумеете, или внешне все оказалось целым, то пора наведаться на СТО.
Форма поиска
Включают предохранитель замыкают контакты нажатием кнопки.
При изображении на схеме нескольких одинаковых устройств обозначения выводов допускается указывать на одном из них, например маркировка обмоток трансформаторов на рис.
При подходе к контактам каждый провод изображают отдельной линией.
Обрыв провода можно определить и другим способом. При подходе к контактам каждый провод изображают отдельной линией.
Провода жгута или жилы кабеля записывают в порядке возрастания номеров, присвоенных проводам и жилам. Подгорание контактов реле или контакторов можно устранить, зачистив их мелкой шлифовальной шкуркой и промыв бензином или спиртом. При нарушении изоляции провода могут непосредственно касаться массы автомобиля, вызывая короткие замыкания. Расположение графических обозначений устройств и элементов на схеме должно примерно соответствовать действительному размещению элементов и устройств в изделии, а расположение входных и выходных элементов внутри устройства — действительному размещению их в устройстве.
Схемы электрических соединений автомобиля BA3-11183. Лада Калина Альбом электросхем

Схематическое расположение электрических компонентов на кузове Такая схема несет другой тип информации: трассировка кабельных кос и приблизительное расположение разъемов на кузове. Для продолжения движения водителю требуется нажать на педаль управления дроссельной заслонкой, при этом автоматически осуществляется пуск двигателя. По этой причине конструкторы и разраобтчики автомобильной теники разработали несколько разновидностей этой системы. Запись К1.
Аналогичные явления создаются и в других цепях бортовой сети автомобиля. По схеме монтажного блока рис. Расположение графических обозначений устройств и элементов на схеме должно примерно соответствовать действительному размещению элементов и устройств в изделии, а расположение входных и выходных элементов внутри устройства — действительному размещению их в устройстве. Цифра на каждом проводе означает площадь сечения токопроводящей жилы провода в квадратных миллиметрах. Все это усложняет обслуживание электрической части автомобиля и требует необходимости умения читать электрические схемы.
Найдя на общей схеме электрооборудования выключатель стоп-сигнала, видим, что к нему подходят два провода: белый и красный пурпурный. По общей схеме можно лишь добавить некоторые предупреждения о том, что не следует делать.
Подключение трехфазного двигателя по схеме звезды и треугольника
https://youtube.com/watch?v=PjZextDphQU
На что обратить особое внимание
При самостоятельном ремонте машины внимание, в первую очередь, уделяется:
- быстро выходящим из строя частям – тормозным колодкам, дискам, шинам;
- своевременной замене расходных материалов (масла в двигателе, тормозной жидкости, трансмиссионных масел, различных фильтров);
- двигателю авто (соответствие уровня масла требуемым параметрам, зазор между клапанами, состояние свечей зажигания, проводки к ним и пр.);
- работоспособности автоэлектрики (фары, поворотники, генератор, аккумулятор и пр.);
- регулярной уборке салона автомобиля, чистке мотора;
- состоянию манжет, прокладок, пыльников.
Образец СПОЗУ
Заказав разработку СПОЗУ в , заказчик получит наруки образец следующего типа:
При выполнении группового подсчета по нескольким столбцам я получаю сообщение об ошибке. Вот мой фрейм данных, а также пример, который просто помечает отдельные группы «b» и «c».
Однако, когда пример немного изменяется, так что count () вызывается вместо grouper.group_info , появляется ошибка.
оценивать df.groupby().count() в интерактивной сессии:
Это целый DataFrame. Это, вероятно, не то, что вы хотите назначить для нового столбца df (На самом деле, вы не можете назначить столбец DataFrame, поэтому возникает загадочное исключение.).
Если вы хотите создать новый столбец, который подсчитывает количество строк в каждой группе, вы можете использовать
В ремонте тоже пригодится:
- Детский плед крючком для новорожденных схемы
- Керамическая плитка pamesa испания
- Нужно ли удобрять грядки осенью
Назначение и устройство
Во время движения неровности дороги в виде колебаний передаются на кузов. Подвеска автомобиля предназначается для гашения или смягчения подобных колебаний. В ее прикладные функции входит обеспечение связи и соединения между кузовом и колесами. Именно детали подвески дают колесам возможность перемещаться независимо от кузова, обеспечивая изменение направления движения автомобиля. Наряду с колесами, она является обязательным элементом ходовой части автомобиля.
Подвеска автомобиля – это технически сложный агрегат, имеющий следующее строение:
- упругие элементы — металлические (пружины, рессоры, торсионы) и неметаллические (пневматические, гидропневматические, резиновые) детали, которые, в силу своей упругих характеристик, принимают нагрузку от неровностей дороги и распределяют ее на кузов автомобиля;
- гасящие устройства (амортизаторы) – агрегаты, имеющие гидравлическое, пневматическое или гидропневматическое строение и предназначенные для нивелирования колебаний кузова, полученных от упругого элемента;
- направляющие элементы – различные детали в виде рычагов (поперечных, продольных), обеспечивающих соединение подвески с кузовом и определяющих перемещение колес и кузова относительно друг друга;
- стабилизатор поперечной устойчивости — упругая металлическая штанга, соединяющая подвеску с кузовом и препятствующая увеличению крена автомобиля в процессе движения;
- опоры колеса – специальные поворотные кулаки (на передней оси), воспринимающие нагрузки, исходящие от колес, и распределяющие их на всю подвеску;
- элементы крепления деталей, узлов и агрегатов подвески – это средства соединения элементов подвески с кузовом и между собой: жесткие болтовые соединения; композитные сайлентблоки; шаровые шарниры (или шаровые опоры).
Соберите всю документацию
фото: flickr.com
Не только фирменное руководство по эксплуатации вашего автомобиля. Чтобы разобрать или поменять тот или иной узел, порой требуется пошаговая инструкция, желательно в наглядном формате: картинки, а лучше видео. YouTube вам в помощь.
Кроме официальной документации используйте специализированные ресурсы. Например, есть платные иностранные ресурсы Mitchell 1 или AllDataDIY с гигантской библиотекой документации: порталы, которые предоставляют такую информацию.
Плюс соцсети, тематические форумы. Здесь, аккуратно отделяя муть от правды, также можно найти дельные советы, подсказки и реальную помощь.
Как ремонтировать автомобиль

К ак ремонтировать автомобиль самому — это раздел, который описывает все, что связано с ремонтом автомобиля, двигателя, агрегатов, механизмов и систем.
Ч тобы научится ремонтировать автомобиль, надо изучить технологию ремонта агрегатов и механизмов автомобиля, где четко и поочередно расписана последовательность выполнения необходимых ремонтных работ. Э ксплуатация автомобиля со временем приводит к износу его агрегатов и механизмов. Способствует быстрому износу деталей автомобиля: неправильная эксплуатация транспортного средства, работа автомобиля на повышенных режимах, езда по плохим дорогам, неправильное обслуживание автомобиля и агрессивная манера вождения.
РЕМОНТ АВТОМОБИЛЯ МОЖНО РАЗДЕЛИТЬ НА НЕСКОЛЬКО ЧАСТЕЙ:
1. Р емонт ходовой части автомобиля
Н аиболее подверженная износу и поломкам из-за влияния плохого дорожного покрытия является ходовая часть автомобиля. На ходовую часть автомобиля передаются все толчки и усилия при езде автомобиля. Любая поломка ходовой части может привести к аварийной ситуации на дороге.
как заменить опору амортизационной стойки на автомобиляхDaewoo Lanos (Дэу Ланос), Daewoo Nexia (Дэу Нексия), Daewoo Sens (Дэу Сенс) Chevrolet Lanos (Шевроле Ланос).

О бщие данные о
ремонте автомобиля:
2. Р емонт двигателя автомобиля
К ачество ремонта двигателя зависит от многих факторов, основными из которых являются: подготовленные специалисты, диагностика двигателя, качественное оборудование и запасные части.
Капитальный ремонт двигателя автомобиля —как сделать капитальный ремонт двигателя самому.

Источник
