Чертеж стенда для проверки генераторов — Чертежи, 3D Модели, Проекты, Автомобили и автомобильное хозяйство (Автосервис)

Стенд для проверки генераторов автомобилей содержит основание, выполненное в виде стола, на столешнице которого установлено устройство ориентации, для крепления и ориентации испытуемого генератора, привод . Сборочный чертёж с спецификацией стенда для разборки генераторов Техническая характеристика: 1. Усилие на штоке гидроцилиндра, Н 18000 2. Ход штока, мм Каталог / Транспорт / Автомобили и автомобильное хозяйство . Еще чертежи и проекты по этой теме: Рейтинг: 100. Софт: Компас v12, cdw. spw. . Чертеж стенда для проверки генераторов . В данном разделе сайта будут публиковаться производственно-технологические и проектно-конструкторские работы, чертежи, Планы СТО, ТО, Автосервисы и планировки, зоны ремонта, диагностики и .
Стенд для проверки генераторов тракторов Чертеж общего вида. Сборочный чертеж редуктора стенда проверки генераторов. Деталировка стенда проверки генераторов … Стенд для проверки генераторов своими руками чертежи
ВАЖНО! Для того, что бы сохранить статью в закладки, нажмите: ctrl + d Задать вопрос ВРАЧУ, и получить БЕСПЛАТНЫЙ ОТВЕТ, Вы можете заполнив на НАШЕМ САЙТЕ специальную. Проект для проектировщиков и студентов технических специальностей, база проектов и технических решений из различных областей таких как строительство, машиностроение и … Каталог / Транспорт / Автомобили и автомобильное хозяйство (Автосервис) / Стенд для проверки и ремонта радиаторов
ПТБ для обслуживания и ремонта автомобилей.

Нужно ли возить с собой свидетельство о поверке тахографа?
Свидетельство о метрологической поверке тахографа является подтверждением того, что данный тахограф соответствует метрологическим требованиям и его показания являются объективными и достоверными с юридической точки зрения.
Отсутствие факта метрологической поверки тахографа (отсутствие Свидетельства о поверки) является административным правонарушением, за которое предусмотрен административное наказание по ст. 19.19 КоАП РФ (штраф для юридических лиц до 100 тысяч рублей).
В теории Свидетельство о метрологической поверке тахографа должно находиться у собственника автомобиля, однако мы настоятельно рекомендуем возить с собой его копию для избежания потенциально спорных моментов с сотрудниками ГИБДД,
Из чего складывается стоимость диагностики двигателя
Есть одна необходимая для диагностики бензиновых двигателей составляющая, которую нельзя купить ни за какие деньги. Речь об опыте и способностях, которыми обладают квалифицированные мастера диагностических станций, профессиональные навыки нужны на каждом этапе проверки. Ведь далеко не каждый человек может по звуку и внешнему виду, да даже по диагностическим ошибкам, определить первопричину неисправности.
Этот опыт и квалификация мастера стоят определенных денег. Распечатка ошибок, считанных с ЭБУ, может выглядеть как расшифровка медицинских анализов человека. Но как опытный врач не полагается лишь на результаты анализов, изучая все нюансы истории болезни, так и настоящий профессиональный моторист подходит к процессу комплексно, вдумчиво и не спеша.
Качественную диагностику двигателя не выполнить за пару минут. Компьютерной диагностики недостаточно. Этап за этапом, каждый узел двигателя внимательно осматривается, изучается. Обычно диагностические станции даже не берут плату за простую распечатку ошибок, выданных сканером. Ведь получить такую информацию совсем несложно, высокой квалификации не требуется. Однако иногда встречаются люди, пытающиеся на этом заработать.
Комплексная диагностика двигателя состоит из целого ряда этапов. Главная операция – это, безусловно, компьютерное сканирование. Многие автолюбители делают сканирование самостоятельно. Для этих целей покупают подходящий разъем, конвертер на USB, скачивают в Интернете на ноутбук специализированную программу.
На СТО компьютерное сканирование обычно стоит в районе 500 рублей. Можно получить не только распечатку всех ошибок, но и выяснить, производились ли какие-либо операции с памятью ЭБУ. Показатели выхлопных газов измеряют при помощи специализированного устройства. Обойдется данное действие в 300 руб. За тестер зажигания просят 500 руб., а замерить угол опережения зажигания можно, расставшись с 300 рублями.
Исправность свечей зажигания, высоковольтных проводов и катушек вполне можно определить визуально
Особое внимание уделяют осмотру точек соединения двигателя с массой. Обязательно проверяют, хорошо ли держит заряд аккумулятор
Механические узлы двигателя проверяются как осмотром, так и при помощи специализированных инструментов. На визуальном этапе выявляются неисправности в ремнях и их натяжении, проверяется уровень жидкостей и их состояние, оценивается уровень шума при работе ДВС. Цилиндры необходимо тщательно осмотреть при помощи эндоскопа. За эту услугу просят обычно 600 руб. Давление воздуха измеряют за 400 руб.
Однако общая стоимость диагностики обычно ниже, чем сумма отдельных этапов. Так происходит по причине накапливающейся скидки. Влияет и факт конкуренции между разными СТО, где главным рычагом остается цена. Однако понижение стоимости может быть чревато некачественным оказанием услуги, исключением отдельных этапов диагностики двигателя вовсе. Обычно комплексная проверка мотора стоит 4 тыс. руб. Но далеко не каждый автовладелец готов расстаться с такой суммой просто за то, чтобы знать неисправности своего силового агрегата.
Кроме стоимости непосредственных процедур, на цену диагностики влияет оперативность ее проведения, качество обращения с клиентом и дополнительные бонусы. За распространенную сумму в 1000 руб. автовладелец чаще всего получит обслуживание из 4 этапов: визуальную диагностику, считывание ошибок, проверку выхлопных газов и системы зажигания на специальном оборудовании.
Немаловажными составляющими стоимости диагностики могут также являться: политика ценообразования на СТО, модель транспортного средства, расположение и престижность диагностической станции и объем предлагаемых работ.
Основные этапы диагностики двигателя автомобиля
Диагностика мотора – процесс, включающий не один этап. Однако пренебрегать каждым из шагов не стоит, поскольку все они очень важны для понимания ситуации. Перечислим эти этапы:
- Проверить наличие следов рабочих жидкостей.
Одной из самых часто встречающихся проблем является утечка рабочих составов. Работа ДВС немыслима без машинного масла
Именно поэтому на этом этапе в первую очередь обращают внимание на следы масла на моторе. Наличие масляных подтеков на двигателе свидетельствует о его негерметичности
Определив масштаб и причины масляных пятен, производят необходимый ремонт.
Следующий этап – контроль уровня и качества моторного масла. Если уровень недостаточный, то, вполне возможно, мотор имеет весомые проблемы. Иногда неисправность устраняется заменой уплотнителей, но случается и более серьезный ремонт.
Проверить работу мотора на посторонние шумы.
Исправный силовой агрегат во время работы не издает лишних шумов. Если работа или запуск мотора сопровождается необычными звуками, то без помощи профессионалов уже не обойтись. Этап можно назвать слуховой диагностикой.

Посторонние звуки, издаваемые работающим двигателем, указывают на износ или повреждение его отдельных деталей.
Осуществить проверку вибрации.
Современные двигатели работают тихо, без лишних рывков и вибраций. Если ДВС вдруг начал вибрировать во время работы, вероятнее всего, проблема в одном из цилиндров. Некоторые более серьезные повреждения моторов тоже сопровождаются скачками вибрации. При возникновении таких симптомов необходимо прибегнуть к компьютерной диагностике агрегата.
Проверить подушки крепления.
Крепление двигателя играет огромную роль. Оно гасит вибрации агрегата, помогает синхронизировать его работу с коробкой передач. Следует поэтапно проверить надежность и целостность каждой подушки крепления мотора. Только исправные крепления могут обеспечить работу машины в номинальном режиме.
Проверить выхлопную систему.
Надежная работа двигателя невозможна без правильного отвода выхлопных газов. При нарушении целостности системы выхлопа мотор не только теряет мощность, но и значительно повышается концентрация вредных веществ в выхлопных газах, так что этот этап важен еще и с точки зрения влияния на окружающую среду.
Проверить систему питания.
Быстрота пуска двигателя зависит от качества зарядки аккумуляторной батареи. Полнота и скорость зарядки батареи напрямую связаны с исправностью генератора. На этапе диагностики системы электропитания двигателя обязательно нужно проконтролировать степень натяжения и состояние ремня привода генератора
Также важно проверить систему зажигания
Если диагностика показала наличие вышеперечисленных неисправностей, нужно провести углубленное изучение проблемы до выяснения первопричин. Одним из этапов такого обследования должна быть компьютерная диагностика, она особенно очень помогает в случае приобретения автомобиля. В результате такой процедуры можно сэкономить время и финансы на обслуживание машины.
Газоанализатор
То, что у двигателя вылетает из выхлопной трубы – это тоже источник диагностической информации. К примеру, вы приходите к врачу, говорите – у меня болит то-то и то-то, он дает вам направление на анализы, потому что ему нужна информация о том, что у вас там в крови и сколько там сахара, сколько того и того.
То, что у двигателя в выхлопной трубе – это то, что произвел двигатель в результате своей работы, в результате своей жизнедеятельности. Он выполняет механическую работу и производит отработанные газы. Вот как доктор по анализу видит, что происходит, так и мы по составам отработанных газов видим, что происходит в двигателе.
Здесь еще нужно добавить, что газоанализатор нужен только четырехкомпонентный.
Нужно обязательно CO2, нужно обязательно O2, расчетные параметры лямбды (датчик кислорода).
Естественно, характер информации, которую мы получаем с помощью этих приборов, он разный. Газоанализатор выдает одно, мотортестер другое, сканер выдает третью информацию.
Стенд для проверки катушек зажигания своими руками

ВНИМАНИЕ!
С августа 2018 г. производится и продается новая модифицированная версия прибора, маркировка на стикере со штрих-кодом- Тестер катушек ММ-ТК-01(v2)
Отличия от предыдущей версии:
1. Улучшена защита устройства в цепи питания.
2. В слаботочных линиях управления установлены интеллектуальные ключи повышенной надежности.
3. Для исключения искровых пробоев в разъеме устройства и его самоповреждения, при тестировании некоторых ИКЗ, произведена пере распиновка разъема DB-15.
ПРИМЕЧАНИЕ! Кабели катушек зажигания ВАЗ и универсальный от предыдущей версии тестера НЕ ПОДХОДЯТ ! ! !
Для работы с тестером необходимо использовать новые кабели с маркировкой на штрих-коде: Кабель модулей и катушек зажигания ВАЗ (v2) и Кабель катушек зажигания универсальный (v2).

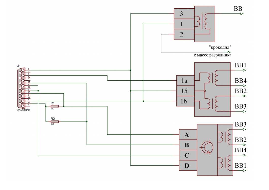
Схеме кабеля модулей и катушек зажигания ВАЗ (v2)

Схема универсального кабеля катушек зажигания (v2)
Тестер предназначен для тестирования сдвоенных (DIS) и одиночных катушек зажигания, включая модули зажигания (катушка с встроенным мощным ключом) и ИКЗ
напряжения питания 11. 18 В
максимальный потребляемый ток 3.5 А
регулировка длительности импульса накопления 1.2. 3.5 мс
регулировка оборотов (эмуляция работы DIS системы зажигания) 600. 6000 об./мин
защита от переполюсовки: есть
защита от КЗ в первичной обмотки катушек: есть
Прибор выполнен на жесткой логике, без использования микропроцессора, что позволяет обеспечивать стабильность работы в условиях больших электромагнитных помех.
Функциональность устройства полностью соответствует компьютерному тесту модулей и катушек зажигания, реализованного в приборах
за исключением диапазона плавных регулировок длительности и оборотов, пределы которых указаны выше.
Выбор катушек (1-4, 2-3) осуществляется с помощью торцевых выключателей.
Для качественного проведения тестов рекомендуется использовать высоковольтный разрядник ММ-ВР-01:
В нашем электронном магазине предлагается полный комплект оборудования для проведения тестов МЗ и КЗ

Разрядник комплектуется дополнительной насадкой (накручивается взамен обычной для ВВ проводов) для ИКЗ.
http://autodata.ru/article/all/ustroystva_dlya_avtomobilnoy_diagnostiki_chast_1/http://chiptuner.ru/content/igntst/http://www.carhelp.info/forums/showthread.php?t=30408&page=3http://usamodelkina.ru/11278-stend-dlya-proverki-svechey-zazhiganiya-svoimi-rukami.htmlhttp://motor-master.ru/content/10-diag/157-avtonomnyj-tester-katushek-zazhiganiya-mm-tk-01http://motor-master.ru/content/10-diag/157-avtonomnyj-tester-katushek-zazhiganiya-mm-tk-01
Стенд для проверки свечей зажигания своими руками
Привет всем любителям самоделок. В данной статье я расскажу, как сделать стенд для проверки свечей зажигания своими руками. Данный стенд поможет определить состояние свечи, а также посмотреть на ее работу под давлением. Он будет полезен тем, кто самостоятельно обслуживает свой автомобиль, а также занимается небольшими ремонтами.
Для того, чтобы сделать стенд для проверки свечей зажигания своими руками, понадобится:* Автомобильный переносной компрессор, работающий от 12 В* Коммутатор с проводкой от автомобиля «Жигули»* Катушка зажигания с бронепроводом * Два тумблера * Компьютерный вентилятор с тремя выводами * Переменный резистор* Паяльник, флюс, припой* Небольшой отрезок шланга * Камера высокого давления с резьбой под свечу зажигания* Лист металла толщиной 2 мм* Сварочный аппарат* Баллончик краски* Сварочная маска, краги* Защитные очки, наушники, перчатки* Углошлифовальная машинка, отрезной круг* Электродрель
Шаг первый.Главной деталью стенда является камера высокого давления.
Также на самом корпусе находится штуцер для подключения шланга к компрессору, с той же стороны просверлены два отверстия и нарезана резьба под установку на стенд.
Шаг второй.Далее собираем электрическую часть.
После проверки спаиваем надежно провода при помощи паяльника и припоя, для лучшей пайки используем флюс, далее изолируем оголенные провода.
Шаг третий.Из листа толщиной 2 мм выпиливаем части корпуса углошлифовальной машинкой, особых требований здесь нет, главное чтобы все детали стенда поместились внутри корпуса. При работе с углошлифовальной машинкой будьте аккуратны, одевайте защитные очки, перчатки и наушники. Затем при помощи сварочного аппарата свариваем из листов металла корпус. При работе со сварочным аппаратом не забывайте использовать сварочную маску и краги.
Для отвода воздуха в боковой стенке просверливаем отверстия по кругу и устанавливаем вентилятор.
Для регулирования частоты оборотов на верхнюю крышку прикручиваем переменный резистор в заранее просверленные отверстия, а также два тумблера, один под включение компрессора, другой под включение катушки зажигания и вентилятора. Камеру высокого давления прикручиваем также на верхнюю крышку при помощи двух болтов, к ее штуцеру подсоединяем шланг от компрессора. Из корпуса выводим провода для подключения питания и бронепровод с насвечником.
Шаг четвертый.Завершающим этапом является покраска готового стенда при помощи баллончика с краской.
Получайте на почту подборку новых самоделок. Никакого спама, только полезные идеи!
*Заполняя форму вы соглашаетесь на обработку персональных данных
Особенности калибровки
Как и любое другое измерительное устройство, тахограф должен время от времени подвергаться процессу калибровки.
Основная задача данной процедуры – выставить такие коэффициенты, чтобы реальные зафиксированные параметры (скорость и пробег автомобиля) соответствовали эталонным. При этом допускается небольшая погрешность в пределах класса точности устройства.
Тахографы необходимо калибровать в следующих случаях:
- При первичной установке устройства на автомобиль;
- При появлении временных погрешностей на встроенных часах больше, чем на двадцать минут;
- После выполнения ремонтных работ;
- После внесения изменений или проведения наладки в электрической цепи одного или нескольких датчиков;
- В случае снятия или нарушения пломбы, установленной на тахографе;
- При изменениях регистрационного номера автомобиля или некоторых его характеристик;
- В случае замены шин и увеличения длины окружности выше заданного предельного параметра;
- Через два года с момента последней калибровки или ввода тахографа в эксплуатацию.

Особое внимание уделяется первичной калибровке. Сделать это необходимо в течение первых семи дней с момента монтажа устройства в автомобиле или же с момента получения нового регистрационного номера
Калибровка состоит из двух основных этапов. Сначала проверка производится на специальном стенде и только после этого – в условиях реальной трассы. При этом каждая из проверок имеет свои особенности.
Так, стендовые испытания включают в себя:
проверку таблички с типом устройства (особое внимание уделяется читаемости информации и целостности устройства);
сверку информации на табличке с данными установщиков (мастерской);
проверку всех узлов тахографа, на которых должна прописываться такая информация, как номер детали, дата изготовления, разработчик и так далее;
проверку целостности пломб, которые установлены производителем и работникам мастерской, датчика движения и проводки.
Второй этап проверки (в реальных условиях) более серьезный.
Здесь проводятся следующие мероприятия:
- Программируется устройство с учетом калибровочного коэффициента;
- Осматривается сам автомобиль;
- Проверяется корректность выставленного индекса W (характеризует передаточное соотношение в трансмиссии и давления шин);
- Проводится согласовательные работы тахографа и шифрования датчика движения;
- Производится проверка и корректировка (при необходимости) установок на часах изделия;
- Вносится необходимая информация в память устройства;
- Проводятся измерения реальной погрешности;
- Устанавливаются датчики со специальными настройками;
- Выполняется пломбировка датчика, самого прибора и ряда других элементов.

Тахограф: виды и устройство
Для того чтобы объяснить, как выполняется тот или иной обман, необходимо знать конструкцию тахографа и его работу. Понимая, как взаимодействуют различные механизмы внутри устройства, можно сообразить, как организовать отключение прибора незаметно для проверки. Итак – основные узлы тахографа и их работа.
Тахографы механические и цифровые
Существует два вида тахографов аналоговые (механические) и цифровые. Они отличаются устройством и особенностями работы, а также качеством защиты собираемых данных. Поэтому оговоримся сразу, что все известные популярные способы обмана можно провернуть только на более простых аналоговых тахографах. Они считаются устаревшими устройствами, но, тем не менее, ещё используются для контроля водителей.

Более сложные цифровые устройства имеют несколько степеней защиты. Они берут информацию с нескольких датчиков и передают полученные сведения на спутник. Поэтому обмануть их практически невозможно.
Тахограф электромеханический (аналоговый)
Электромеханический тахограф записывает информацию на бумажный носитель. В этом тахографе информация пишется на диск из бумаги, поэтому само устройство получило название «шайба».
Тахограф-шайба считывает информацию со спидометра и встроенного внутрь прибора таймера. Полученные данные он записывает на бумаге. Простота конструкции и доступ к внутренним механизмам делает возможным всяческие вторжения в её конструкцию, манипуляции, отключки.
Аналоговые тахографы планировали запретить к 2018 году.
Однако на сегодняшний день отказ от их использования – рекомендован, но не обязателен. Кроме того, есть различные обходные манёвры, которые могут узаконить пользование тахографом при его официальном запрете.
Тахограф цифровой
Цифровой тахограф записывает информацию на электронный носитель. При этом данные, которые получает тахограф, снимаются с нескольких датчиков. Показания скорости, времени движения, километров пробега, поступают в устройство от спидометра, коробки передач, бортовому компьютеру, АВS. Они сравниваются между собой и записываются в память. Это исключает возможность «отматывания», «стирания», «замедления» и других манипуляций. «Списанная» или «стёртая» информация оказывается в диссонансе с другими полученными показателями.

Полученные данные шифруются. Шифрованием и дальнейшей передачей данных заведует так называемая криптозащита или модуль СКЗИ (система криптографической защиты информации). Данный модуль не только защищает информацию от исправлений, но также записывает все попытки взлома устройства или корректировки хранящихся данных.
В блок СКЗИ встроена память с собственным независимым источником питания, который работает отдельно от системы зажигания авто.
Производство модулей СКЗИ контролирует ФСБ России.
Зашифрованные данные тахограф записывает на двух носителях. Фиксирует их на встроенную цифровую память и на личную карту водителя. Кроме того, прибор передаёт информацию на спутник, и переданные показания не могут быть изменены. Если записи на карте теоретически можно стереть или взломать, то показания, переданные на спутник, водителю неподконтрольны.
Для связи со спутником в тахограф встроен блок навигации. Он определяет местоположение автомобиля, позиционирует его на карте и подаёт сигнал на спутник. Официальное название данного блока – система глобального позиционирования или ГЛОНАСС.

Такая сложная конструкция обеспечивает надёжную защиту данных, в десятки раз более надёжную, чем в аналоговом устройстве. Да и сам факт попытки изменить данные записывается в память тахографа и всплывает при проверке.
Как провести диагностику подвески своими руками
Выход из ситуации подсказывает народный опыт
Следует обратить ваше внимание на то, что особого внимания автовладельца требует диагностика передней подвески. Это примерно, как и с диагностикой передних тормозных дисков и колодок
Именно перед машины испытывает нагрузки намного превышающие нагрузки на заднюю часть авто.
Традиционная диагностика узлов подвески
- В первую очередь проверяем пыльники и резиновые чехлы. Принято, что деталь, у которой порван резиновый чехол, однозначно требует замены (ремонта)
- Проверяем наличие следов утечек масла. Это в первую очередь касается диагностики амортизаторов
- Степень износа пружин визуально определяется высотой просадки кузова автомобиля
- Шаровые опоры – проверяются при помощи монтировки покачиванием вверх-вниз. При этом не должно быть ощутимого люфта
- Сайлент-блоки не должны иметь визуальной деформации, трещин и отслоений. При нажатии монтировкой они не должны люфтовать. Проверку шаровых и сайлент-блоков лучше всего проводить на поднятой машине с открученным креплением шаровой к нижнему рычагу
- Подшипники верхних опор подвески при покачивании вверх-вниз имеют люфт, если они неисправны.
- Опоры стабилизаторов и тяги при усиленном раскачивании не должны люфтовать
- Выход из строя рулевой рейки – явление не распространенное. Исправность направляющих втулок проверяют раскачиванием самой рейки.
- Рулевая тяга и рулевой наконечник проверяются вдвоем. Напарник поворачивает руль вправо-влево, а вы в это время беретесь рукой за деталь. Ни наконечник, ни тяга не должны иметь люфта.
- ШРУС о своей неисправности предупреждает нас характерным треском во время движения, особенно при повороте.
Вот, примерно таковы традиционные методы проведения диагностики подвески автомобиля самостоятельно. Касаемо особенностей подвески вашей модели-марки, вы найдете все тонкости в Руководстве по ремонту своего авто.
Удачи вам в проведении удачной диагностики подвески своего авто.
Главная →
Обслуживание и Ремонт →
Как обмануть тахограф
24 Февраль 2015 Администратор Главная страница » Статьи Просмотров:
3123
Пока власти ужесточают требования к контрольно-измерительным устройствам, а законодательство повышает степень контроля за режимом работы водителей, вопрос: «А можно ли обмануть тахограф?» появляется у все большего числа людей.
Вне закона
Отключить прибор можно, но эти действия незаконны, и водитель, совершающий подобные махинации, рискует подвергнуться соответствующему наказанию. Все это может обернуться не только административным штрафом, но и лишением бизнеса.
Принцип действия
Зная принципы работы тахографических устройств, можно корректировать данные приборов.
Время фиксируется таймером, встроенным в аппарат – в устройствах старого образца. А в более современных приборах – по сведениям, полученным со спутников навигационных систем.
«Скорректировать» эту информацию и тем самым «обмануть» тахограф, не удастся. Единственное, что можно сделать – повлиять на данные о скорости и показатели движения или остановки автомобиля.
Аналоговый тахограф
Если речь идет о тахографе аналоговом, сначала надо отключить электропитание. Можно установить «жучок» или тумблер, или же поступить радикально – обрезать провода. Прибор перестанет работать и фиксировать нарушения в вождении авто.
Важно помнить, что такая самодеятельность обойдется в солидный штраф. За перекалибровку прибора закон предусматривает наказание в сумме от трех тысяч рублей и выше
За переподключение устройства – тысячу рублей и больше. Плюс запрет пользоваться автомобилем.
Второй вариант обмана аналогового тахографа – выключить датчик скорости или воздействовать на его работу. Кто-то просто обрезает провода датчиков.
Кто-то ставит на них магниты, вставляет разные болты и скрепки, тем самым блокируя трос: он перестает вращаться.
Прибор не получает сигналы от датчика и «не знает», с какой скоростью движется автомобиль, и движется ли он вообще. Диск (шайба) при этом фиксирует ошибку датчика.
Это служит прямым указанием водителю отправиться в ближайшую мастерскую, где починят датчик и выполнять калибровку тахографа.
Суммы, которые придется выложить за починку прибора: три тысячи рублей и более – за перекалибровку устройства, тысяча рублей и выше – за переподключение скоростного датчика, полторы тысячи рублей и больше – за новый датчик.
Цифровой тахограф
Тахограф цифрового типа обмануть сложнее. Сделать это самостоятельно не получится. Нужны связи в мастерской, чтобы получить доступ к программатору прибора.
В отличие от аналогового прибора, вмешательство в работу цифрового скрыть не удастся. Приемник ГЛОНАСС, который встроен в устройство, постоянно фиксирует данные о скорости автомобиля. Кроме того, тахографы на грузовые автомобили имеют встроенный акселерометр: он отслеживает движение машины с точностью в сто процентов.
Вдобавок, производители авто выполняют подключение приборов по кану, а взаимная передача сведений настраивается так, что аппарат «общается» с бортовым компьютером авто. И если он выключается, могут возникнуть сбои, скорость может отображаться некорректно, а на приборной панели может возникнуть сигнал «Чек». Не получая сведения от скоростного датчика, перестанет действовать спидометр.
Ошибки, вернее, их часть, будут отражены в отчете «Событий и ошибок», который можно распечатать. Он зафиксирует отключение электропитания, и датчика скорости, а также движение без карты, превышение скоростного режима и порядка работы водителя.
