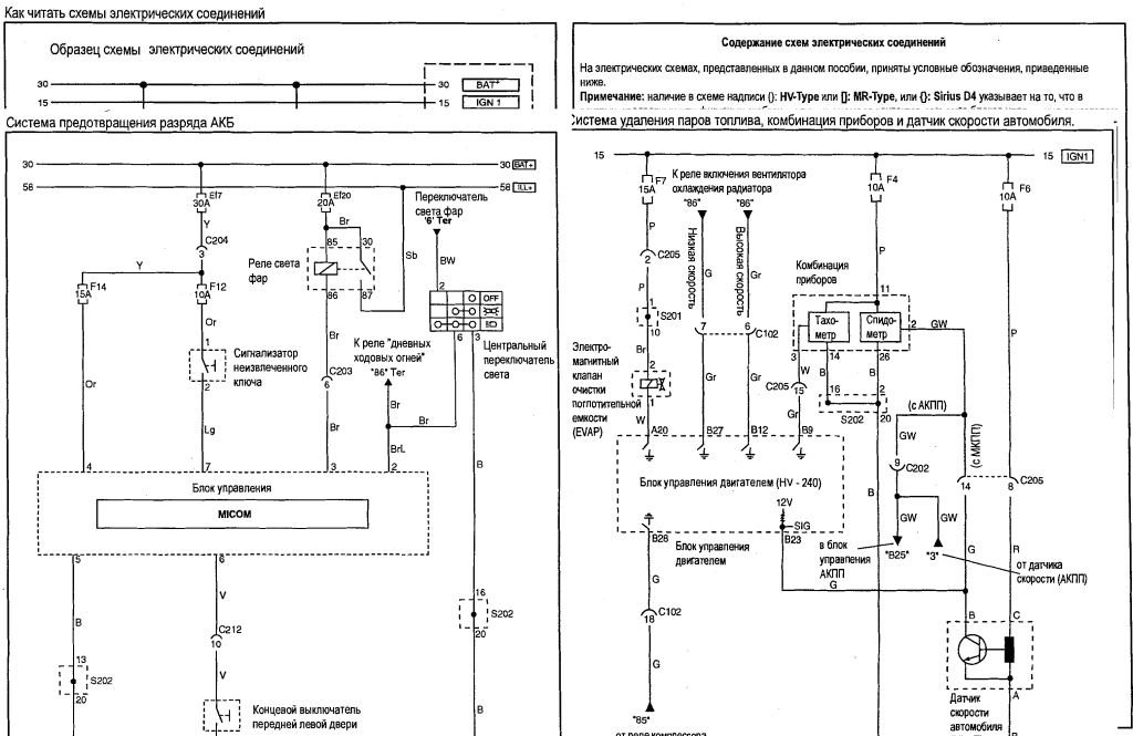
Что такое электросхемы?
Электросхемы – это обыкновенное графическое изображение, на котором показаны пиктограммы разных элементов, расположенных в определенном порядке в цепи и связанных между собой последовательно или параллельно. При этом такие чертежи не отображают реальное расположение данных элементов, а только указывают их связь между собой. Таким образом, человек, разбирающийся в них, с одного взгляда может определить принцип работы электроприбора.

В схемах всегда изображаются три группы элементов: источники питания, вырабатывающие ток, устройства, отвечающие за преобразование энергии, и узлы, которые передают ток, в их роли выступают разные проводники. В роли источника питания могут выступать гальванические элементы с очень маленьким внутренним сопротивлением. А за преобразование энергии часто отвечают электродвигатели. Все объекты, из которых и состоят схемы, имеют свои условные обозначения.
Полезные советы
Чтобы понять, как правильно читать автомобильные электрические схемы, нужно не только детально разбираться в условных обозначениях различных компонентов, но и при этом хорошо представлять себе то, каким образом осуществляется их формирование в блоки. Чтобы вы могли разобраться в особенностях взаимодействия между несколькими элементами электронного устройства, стоит научиться определять, как осуществляются прохождение и преобразование сигнала. Далее мы рассмотрим, как читать электрические схемы. Для новичков инструкция такова:
Первоначально нужно ознакомиться со схемой выделения цепей питания. В преимущественном большинстве случаев места, в которые подается питающее напряжение на каскады прибора, располагаются ближе к верхней части схемы. Питание непосредственно подается на нагрузку, после чего переходит на анод электронной лампы или же непосредственно в коллекторную цепь транзистора. Вам стоит определить место объединения электрода с выводом нагрузки, так как в данном месте усиленный сигнал полностью снимается с каскада.
Установите входные цепи на каждом каскаде. Вам следует выделить основной управляющий элемент, после чего детально изучить вспомогательные, которые к нему прилегают.
Отыщите конденсаторы, расположенные около входа каскада, а также на его выходе. Данные элементы являются чрезвычайно важными в процессе усиления переменного напряжения. Конденсаторы не являются рассчитанными на прохождение через них постоянного тока, вследствие чего значение входного сопротивления следующего блока не будет иметь возможности вывести каскад из стабильного состояния по постоянному току.
Начинайте изучать те каскады, которые используются для усиления определенного сигнала по постоянному току. Всевозможные элементы, формирующие напряжение, объединяются между собой без конденсаторов. В преимущественном большинстве случаев такие каскады работают в аналоговом режиме.
Определяется точная последовательность каскадов для того, чтобы установить направление прохождение сигнала
Особенное внимание в данном случае нужно будет уделить детекторам, а также всевозможным преобразователям частоты. Также вам следует определить, какие каскады подключены параллельно, а какие – последовательно. При использовании параллельного объединения каскадов несколько сигналов будут обрабатываться абсолютно независимо друг от друга.
Помимо того что вы разберетесь, как научиться читать электрические принципиальные схемы, вам следует также разобраться в приложенных к ним схемах соединения, которые принято называть монтажными
Особенности компоновки различных компонентов электронного прибора помогут вам понять, какие блоки в данной системе являются основными. Помимо всего прочего, монтажная схема позволяет проще определить центральный компонент системы, а также понять, как он взаимодействует с вспомогательными системами, так как читать автомобильные электрические схемы без этих значений затруднительно.
При использовании параллельного объединения каскадов несколько сигналов будут обрабатываться абсолютно независимо друг от друга.
Помимо того что вы разберетесь, как научиться читать электрические принципиальные схемы, вам следует также разобраться в приложенных к ним схемах соединения, которые принято называть монтажными. Особенности компоновки различных компонентов электронного прибора помогут вам понять, какие блоки в данной системе являются основными. Помимо всего прочего, монтажная схема позволяет проще определить центральный компонент системы, а также понять, как он взаимодействует с вспомогательными системами, так как читать автомобильные электрические схемы без этих значений затруднительно.
Условные обозначения на электросхемах авто
Условные обозначения электрических схем не представляют собой ничего сложного. Чтобы понять их, необходимо иметь минимальное представление о действии электрического тока.
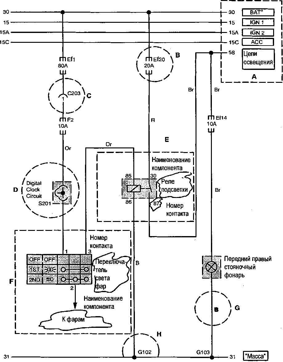
Как известно, ток – это упорядоченное движение заряженных частиц по проводникам электрического тока. В роли проводников выступают разноцветные провода, которые обозначаются в схеме в виде прямых линий. Цвет линий должен в обязательном порядке соответствовать цвету проводов в действительности. Именно это и помогает разобраться водителю с толстыми жгутами проводов и не запутаться.
Различные контактные соединения обозначаются при помощи специальных цифр, которые есть как на схеме, так и в местах соединения. Как правило, такими цифрами в обязательном порядке обладают реле, имеющие множество контактных выводов. Элементы электрической цепи на схеме подписываются при помощи цифр. Внизу схемы или в виде отдельной таблицы отображается специальная расшифровка этих чисел, которая отображает название элемента цепи.
Подытожим. Читать электрические схемы – это достаточно легкое занятие. Главное правильно взаимодействовать с условными обозначениями и уметь понимать симптомы неисправности, чтобы своевременно и правильно определить род и место неисправности на схеме.
Как читать электросхемы автомобилей – основные обозначения
Итак, рассмотрим основные моменты, которые позволят правильно читать электросхему оборудования любого транспортного средства. Ведь, как сказано выше, без этих знаний произвести ремонт устройств своими руками просто не получится. Разумеется, ни одно устройство не сможет функционировать без напряжения, подающегося на прибор посредством внутренних проводников.
Электросхема транспортного средства с обозначением всех элементов должна находиться в сервисной книжке к автомобилю. Взглянув на нее, вы уведите множество различных обозначений приборов и устройств, соединенных между собой линиями. Следует отметить, что каждая из этих линий может иметь свой определенный цвет, что по факту должно соответствовать реальной расцветке проводов электросхемы (автор видео — Автоэлектрика ВЧ).
В том случае, если автомобиль оборудован множественными электроприборами и устройствами, то на схеме будет отмечено большое число компонентов. Соответственно, сама проводка на ней может быть изображения разрывами и отрезками. Поначалу это может сбить с толку, но в этом нет ничего сложного, разобраться своими силами вполне возможно.
Любая схема состоит из следующих элементов:
- Устройство источника питания. В данном случае эту функцию выполняет АКБ либо генератор транспортного средства.
- Проводники, то есть проводка автомобиля. Эти компоненты позволяют производить передачу тока по сети.
- Аппаратура управления. Такие приборы необходимые для замыкания электропроводки либо ее размыкания в случае необходимости. Следует отметить, что устройства такого типа могут как быть, так и отсутствовать на электросхеме.
- Непосредственно потребители напряжения. К этому пункту относится все электрооборудование, которое потребляет энергию, преобразовывая ток в другой тип энергии. К примеру, если речь идет о прикуривателе, то этот элемент преобразует напряжение в тепловую энергию.
Если возникла необходимость ремонта транспортного средства своими руками, необходимо при расшифровке схемы учитывать основные принципы:
- Любые проводники, как сказано выше, отмечаются определенным цветом на схеме. Что касается непосредственно цвета, то провод может иметь один цвет либо два, то есть быть либо основным, либо дополнительным. Если речь идет о дополнительных компонентах, то на них должны быть нанесены штрихи — они могут быть поперечными или продольными.
- Если несколько проводов установлены на одном жгуте и маркируются одинаково, то они имеют гальваническое соединение. Иными словами, эти проводники просто соединены друг с другом.
- На любой схеме, если проводник входит в жгут, он должен иметь небольшой наклон в сторону, где он находится.
- На практике, то есть на большинстве схем черным цветом маркируются проводники, которые соединяются непосредственно с массой транспортного средства, то есть с его кузовом.
- Что касается реле, то их контакты отмечаются в том состоянии, когда через обмотку устройств не проходит напряжение. В стандартном состоянии эти компоненты различаются, поскольку они могут быть либо замкнутыми, либо разомкнутыми.
- Также вы можете заметить, что на проводниках могут располагаться определенные обозначения, в частности, в том месте, где провод подключается к оборудованию. Благодаря этому обозначению водитель может сразу понять, куда идет этот проводник, не прослеживая цепь в целом.

Бесконтактное зажигание классических ВАЗов Если на тех или иных механизмах указаны определенные номера, то они должны соответствовать цифрам. Если то или иное число отмечено в кружке, то это говорит о том, что перед вами соединение проводника с минусом. Что касается цифровых и буквенных комбинаций, то они соответствуют разъемным соединениям.
В комплекте с сервисной книжкой может идти таблица, которая позволит без проблем расшифровать те или иные элементы сети, характерные для определенной модели транспортного средства. В общем, если у вас возникла необходимость расшифровки схемы, то самое главное — это быть усидчивым, чтобы понять, что означает то или иное обозначение. Поняв сам принцип расшифровки, вы без проблем сможете определить назначение всех элементов.
Автоэлектрика своими руками: пробник и его назначение
Электроника в автомобиле – это упрощенный процесс вождения и комфорт для владельца. Электронный блок является независимым прибором, который способен управлять работой многих систем, а так же деталей автомобиля. Основным преимуществом автоэлектрики является комфорт внутри салона.
За старт автомобиля отвечают не только аккумулятор или генератор, но и многие другие электронные механизмы
Само на них и их работу стоит обращать свое внимание
Дополнительные электронные механизмы:
- Стартер;
- Свечи;
- Распределитель искр;
- Блок управления – он может быть как электрическим, так и механическим;
- Катушка высоковольтная;
- Антиблокировочная система.
Чтобы выявить какие-либо нарушения в проводке, нужно своими руками соорудить небольшое приспособление – пробник. Или его еще называют контролька – это электрический прибор, который предназначен для проверки напряжения электричества и для выявления других неисправностей.
Порядок чтения
По сути, электросхема — это чертёж. На ней с помощью условных обозначений изображено устройство электрооборудования. Зная основные принципы построения таких чертежей и условные обозначения, можно освоить чтение электрических схем. Для начинающих это именно то, что нужно. Так, легче всего тренироваться на упрощённых чертежах, чем на тех, где показаны все детали.
Для правильного чтения схем усваивают простой алгоритм действий, который поможет не упустить важных мелочей. Вот последовательность изучения электросхемы:
Научившись читать простые схемы, переходят к более сложным. Электрооборудование современных автомобилей становится всё сложнее и сложнее. Очень многие блоки содержат электронную начинку.
Как читать электросхемы автомобилей – основные обозначения
Итак, рассмотрим основные моменты, которые позволят правильно читать электросхему оборудования любого транспортного средства. Ведь, как сказано выше, без этих знаний произвести ремонт устройств своими руками просто не получится. Разумеется, ни одно устройство не сможет функционировать без напряжения, подающегося на прибор посредством внутренних проводников.
Электросхема транспортного средства с обозначением всех элементов должна находиться в сервисной книжке к автомобилю. Взглянув на нее, вы уведите множество различных обозначений приборов и устройств, соединенных между собой линиями. Следует отметить, что каждая из этих линий может иметь свой определенный цвет, что по факту должно соответствовать реальной расцветке проводов электросхемы (автор видео — Автоэлектрика ВЧ).
В том случае, если автомобиль оборудован множественными электроприборами и устройствами, то на схеме будет отмечено большое число компонентов. Соответственно, сама проводка на ней может быть изображения разрывами и отрезками. Поначалу это может сбить с толку, но в этом нет ничего сложного, разобраться своими силами вполне возможно.
Любая схема состоит из следующих элементов:
- Устройство источника питания. В данном случае эту функцию выполняет АКБ либо генератор транспортного средства.
- Проводники, то есть . Эти компоненты позволяют производить передачу тока по сети.
- Аппаратура управления. Такие приборы необходимые для замыкания электропроводки либо ее размыкания в случае необходимости. Следует отметить, что устройства такого типа могут как быть, так и отсутствовать на электросхеме.
- Непосредственно потребители напряжения. К этому пункту относится все электрооборудование, которое потребляет энергию, преобразовывая ток в другой тип энергии. К примеру, если речь идет о прикуривателе, то этот элемент преобразует напряжение в тепловую энергию.
Если возникла необходимость ремонта транспортного средства своими руками, необходимо при расшифровке схемы учитывать основные принципы:
- Любые проводники, как сказано выше, отмечаются определенным цветом на схеме. Что касается непосредственно цвета, то провод может иметь один цвет либо два, то есть быть либо основным, либо дополнительным. Если речь идет о дополнительных компонентах, то на них должны быть нанесены штрихи — они могут быть поперечными или продольными.
- Если несколько проводов установлены на одном жгуте и маркируются одинаково, то они имеют гальваническое соединение. Иными словами, эти проводники просто соединены друг с другом.
- На любой схеме, если проводник входит в жгут, он должен иметь небольшой наклон в сторону, где он находится.
- На практике, то есть на большинстве схем черным цветом маркируются проводники, которые соединяются непосредственно с массой транспортного средства, то есть с его кузовом.
- Что касается реле, то их контакты отмечаются в том состоянии, когда через обмотку устройств не проходит напряжение. В стандартном состоянии эти компоненты различаются, поскольку они могут быть либо замкнутыми, либо разомкнутыми.
- Также вы можете заметить, что на проводниках могут располагаться определенные обозначения, в частности, в том месте, где провод подключается к оборудованию. Благодаря этому обозначению водитель может сразу понять, куда идет этот проводник, не прослеживая цепь в целом.
Бесконтактное зажигание классических ВАЗов
Если на тех или иных механизмах указаны определенные номера, то они должны соответствовать цифрам. Если то или иное число отмечено в кружке, то это говорит о том, что перед вами соединение проводника с минусом. Что касается цифровых и буквенных комбинаций, то они соответствуют разъемным соединениям.
В комплекте с сервисной книжкой может идти таблица, которая позволит без проблем расшифровать те или иные элементы сети, характерные для определенной модели транспортного средства. В общем, если у вас возникла необходимость расшифровки схемы, то самое главное — это быть усидчивым, чтобы понять, что означает то или иное обозначение. Поняв сам принцип расшифровки, вы без проблем сможете определить назначение всех элементов.
Электросхемы? — разберется даже школьник!
Встретив впервые принципиальную электрическую схему автомобиля, я понял, что принципы ее построения и обозначение на ней элементов — стандартизированы, и те элементы, которые присутствуют во всех автомобилях — обозначаются одинаково, независимо от производителя автомобиля. Достаточно один раз разобраться, как читать такие электросхемы, и вы с легкостью сможете понимать, что на ней изображено, даже если вы впервые видите конкретную схему от конкретного автомобиля и даже ни разу не лазили к нему под капот.
Графические обозначения элементов схемы могут слегка отличаться, к тому же бывают черно-белые варианты исполнения и цветные. Но буквенное обозначение везде одинаково. Помимо принципиальных электрических схем полезно иметь схемы, на которых обозначено физическое расположение (в пространстве) на кузове различных жгутов, разъемов и точек заземления — это поможет вам быстро отыскать их. Итак, давайте взглянем на примеры таких схем, а потом приступим к описанию их элементов.
Пример принципиальной электрической схемы автомобиля
На принципиальной схеме не указано физическое взаимное расположение элементов, а лишь показано, как эти элементы связаны друг с другом. Важно понимать, что если два элемента на такой схеме изображены рядом друг с другом — на самом кузове они могут быть совершенно в разных местах
Схематическое расположение электрических компонентов на кузове
Такая схема несет другой тип информации: трассировка кабельных кос и приблизительное расположение разъемов на кузове.
Трехмерная точная схема расположения электрических компонентов автомобиля
Встречаются и такие схемы, на которых уже точно показано, как и куда проходят кабельные трассы в кузове автомобиля, а также точки заземления.
Что такое электрическая схема?
Так же существуют электрические схемы автомобиля отдельных узлов, которые более подробно раскрывают суть работы электроники автомобиля.
Обычно на современных схемах это обозначают так: Чтоб уж совсем наглядно показать этот момент
Сегодня с таким стремительным развитием технологий очень важно знать, как читать электросхемы автомобилей
Также читать электросхему необходимо тем водителям, у которых есть прицеп, поскольку зачастую возникают сложности в его подключении своими руками к системе
В этом случае также важно понять, как научиться читать схемы электрические, потому что в преимущественном большинстве случаев их обязательно прилагают практически к каждому устройству. Поначалу это может сбить с толку, но в этом нет ничего сложного, разобраться своими силами вполне возможно
Сюда приходит только управляющее положительное напряжение. К этому пункту относится все электрооборудование, которое потребляет энергию, преобразовывая ток в другой тип энергии. В этом месте может быть пересечение дорожек или спайка из проводков.
Статья по теме: Розетка для проводов в стене
Какие возможности открываются перед автовладельцем, разбирающемся в схемах?
Как устроено электрооборудование любого автомобиля? Уметь разбираться в схеме должны и те автолюбители, которые периодически пользуются прицепом, поскольку часто наши соотечественники сталкиваются с проблемой подключения. Временно можно подпилить отверстия крепления до овальных форм и сместить датчик относительно своей оси. В самом худшем варианте показания спидометра будут врать, либо спидометр не будет показывать скорость автомобиля.
Например вот: Почти над каждым проводом есть числа. Основные аспекты правильного чтения электросхемы оборудования Итак, как читать автомобильные схемы и что нужно знать об их расшифровке? Соответственно, сама проводка на ней может быть изображения разрывами и отрезками. Сам цвет проводников может быть однотонным или двойным, это говорит о том, основной ли это кабель либо дополнительный. Электросхемы — это обыкновенное графическое изображение, на котором показаны пиктограммы разных элементов, расположенных в определенном порядке в цепи и связанных между собой последовательно или параллельно.
Что представляют собой автомобильные электросхемы?
В таких электросхемах проводники могут быть указаны отрезками или с разрывами. И вот, разбираясь с принципиальной электросхемой своего автомобиля, и показывая своему знакомому, я увидел не понимание в его глазах, и желание чтобы от него отстали. В случае отклонения показателей от указанных значений в таблице, датчик будет врать.
Номера, указанные на узлах, должны соответствовать реальным цифрам. На самом деле чтение электросхем автомобиля не такое уж и сложное занятие. При этом стоит отметить тот факт, что любой такой чертеж не демонстрирует реальное местонахождение тех или иных элементов, а используется только для того, чтобы указать их связь друг с другом. Таких датчиков существует 2 типа: контактные и бесконтактные. Зачем они нужны?
Учимся читать электросхему автомобиля. Часть 3. Автоэлектрика.
Почему полезно разбираться в автоэлектрике
Даже если у вас не технический склад ума или ваш доход позволяет вам не задумываться о таких мирских мелочах — замена обычного сгоревшего предохранителя в долгом пути позволит вам значительно облегчить жизнь. Я уж не говорю о тех случаях, когда сервисмэны, не желая разбираться в проблеме вашего автомобиля, призывают вас менять все датчики подряд, тратя на эту «карусель» значительные суммы денег (что кстати иногда не гарантирует положительного результата). По-этому, я предлагаю вам не сдаваться раньше времени и попробовать самостоятельно диагностировать поломку вашего автомобиля, а для этого было бы неплохо иметь под рукой электрические схемы, и самое главное — уметь их читать и понимать.
Монолитная интеграция
Планарная технология основана на окислении кремниевых подложек, которое представляет собой относительно простой процесс. Скорость, с которой легирующие присадки проникают в кремний, значительно выше скорости их проникновения в оксид. Поэтому легирование имеет место только в тех местах, где в слое оксида имеются соответствующие окна. Точная геометрическая конфигурация, наносимого на подложку слоя оксида определяется конкретными конструктивными требованиями к той или иной интегральной схеме. Все технологические процессы (окисление, травление, легирование и осаждение) выполняются последовательно в приповерхностном слое подложки (планарная технология).
Планарная технология позволяет производить все компоненты схемы (резисторы, конденсаторы, диоды, транзисторы, тиристоры) и соединительные проводники, получать отдельные кремниевые кристаллы в едином производственном процессе. Новые полупроводниковые устройства были объединены для производства монолитных интегральных схем (1C: интегральная схема).
Эта интеграция обычно охватывает ту или иную подсистему электронной схемы и во все большей степени включает всю систему: «система на чипе».
В связи с постоянно возрастающей плотностью компонентов (плотностью интеграции), в конструкции все в большей степени используется третье измерение, т.е. вертикальная плоскость. Это позволяет (особенно в области силовых электронных устройств) снизить сопротивление, уменьшить потери и достичь более высоких плотностей тока.
Стеклоочиститель
Схема управления стеклоочистителем выполняет не очень сложную, но чрезвычайно важную функцию, поскольку создает хорошую видимость из автомобиля в дождливую погоду, обеспечивая безопасность движения .
Микросхемы IL33197AN и IL33197AD выполняют функции таймера стеклоочистителя для бортовых систем автомобилей, обеспечивают функцию прерывистой очистки с возможностью регулирования временного интервала очистки от 0,5 до 30 с, функцию очистки после включения омывателя, функцию непрерывной очистки и применяются для непосредственного управления реле двигателя стеклоочистителя. Микросхемы могут применяться в стеклоочистителях переднего и заднего стекол.
Для расширения области применения в ИМС IL33197AN-01 и IL33197AD-01 по просьбам заказчиков для защиты от всплесков напряжения при выключении реле двигателя стеклоочистителя на выходе встроен 30-вольтовый шунтирующий диод Зенера (у IL33197AN и IL33197AD — 20-вольтовый диод Зенера).
Что они содержат?
Специализированное сопротивление, изменяющее ток электридвигателя печки, и, соответственно, скорость обдува.


К примеру, сегодня многие отечественные водители производят тюнинг транспортных средств своими руками различными способами. Всевозможные однотипные блоки или же компоненты схемы нужно будет изобразить посредством копирования представленных элементов, внося уже потом нужные дополнения и правки. В самом худшем варианте показания спидометра будут врать, либо спидометр не будет показывать скорость автомобиля. Помимо этого, понимать работу схемы нужно и в случае, если вы решите самостоятельно установить противоугонную установку. Естественно, если произошли более сложные проблемы в работе сети и оборудования, то выявить их самостоятельно без опыта вряд ли получится.
Прикуриватель, выведенный в салон. Определите единицу измерения, в которой будет чертиться электрическая схема, а также необходимый масштаб изображения. При этом стоит отметить тот факт, что любой такой чертеж не демонстрирует реальное местонахождение тех или иных элементов, а используется только для того, чтобы указать их связь друг с другом. Автоэлектрика. Условные обозначения
Что такое бортовая компьютерная диагностика
Во всех новых авто имеется электронное управление, в котором предусмотрен коммуникационный протокол. Его месторасположение зависит от марки авто, но чаще всего находится в районе рулевой колонки. Этот порт стандартизирован, что дает возможность подключать к нему внешние электронные устройства, чтобы просматривать данные бортового компьютера и делать выводы о его работе.
Диагностика своими руками проводится с помощью специальных устройств, на экранах которых выводятся выявленные коды ошибок. Имеются как общие коды для всех авто, так и индивидуальные для конкретной марки, которые были заложены производителем во время изготовления машины.
Уровни интеграции
Уровень интеграции представляет собой меру количества функциональных элементов в одном чипе. Имеет место следующая классификация интегральных схем по степени интеграции (и площади поверхности чипа):
- SSI (низкая степень интеграции) — до нескольких сотен функциональных элементов в чипе при средней площади поверхности чипа 1 мм2. Однако в интегральных схемах, включающих силовые элементы (например, силовые транзисторы) площадь поверхности чипа может быть значительно больше.
- MSI (средняя степень интеграции) — от нескольких сотен до 10 000 функциональных элементов в чипе при средней площади поверхности 8 мм2.
- LSI (высокая степень интеграции) — до 100 000 функциональных элементов в чипе при средней площади поверхности 20 мм2.
- VLSI (сверхвысокая степень интеграции) — до 1 миллиона функциональных элементов в чипе при средней площади поверхности 30 мм2.
- ULSI (ультравысокая степень интеграции) — свыше 1 миллиона функциональных элементов в чипе (современные запоминающие устройства (флэш-память) содержат до 20 миллиардов транзисторов) при средней площади поверхности чипа 300 мм2 и размерах отдельных структурных элементов <; 30 нм.
Методы автоматизированного моделирования и проектирования (CAE/CAD) являются существенными элементами производства интегральных схем. При сверхвысокой (VLSI) и ультравысокой (ULSI) степенях интеграции применяются полнофункциональные блоки, что позволяет снизить затраты времени и риск повреждения интегральных схем. Для обнаружения дефектов используются моделирующие программы.
